





.jpg)
.jpg)
.jpg)





●機械の不具合について
丸鋸が壊れるのは、
ベアリングが壊れたりした機械的な理由か、
過電流が流れて中のコイルが焼けるかのどちらかですが、
機械的な理由ですぐに壊れる事はありません。
機械には、
コイルが焼けるのを防ぐ為に特殊なブレーカが付いていますが、
何らかの理由でここを直結させると、
過負荷がかかるとすぐに壊れます。
すいませんが、
7型の丸鋸とブレーカを送りますので、ここの交換だけお願いします。
(ブレーカが正常であればすぐに壊れる事はありません)
(又、機械が正しく調整されていればブレーカが頻繁に落ちる事はありません)
ここ迄の作業が終わった後に一度コンパネを切って見て下さい。
後は精度の問題と何枚切れるかの問題ですが、
ここは機械の簡単な調整で治ります。
なを、機械には7型でも8型でも付きますが、
最初に付いていた丸鋸は日立の8型ですので、
出来ればこちらを修理して使う方が、
馬力が大きい分だけコンパネが多くきれます。
(鋸刃は165・160×40Pを使用して下さい)
●ゴムローラー交換について
長年使ってゴムが摩耗すると、ローラーの交換が必要になります
高価なローラーを交換しなくても、このスプレーで厚さが5MMの弾性ゴムのコーティングが出来ます。
詳細は電話して下さい。
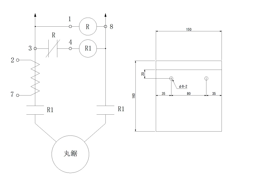
●インバーター回路図
●電流リレー回路図
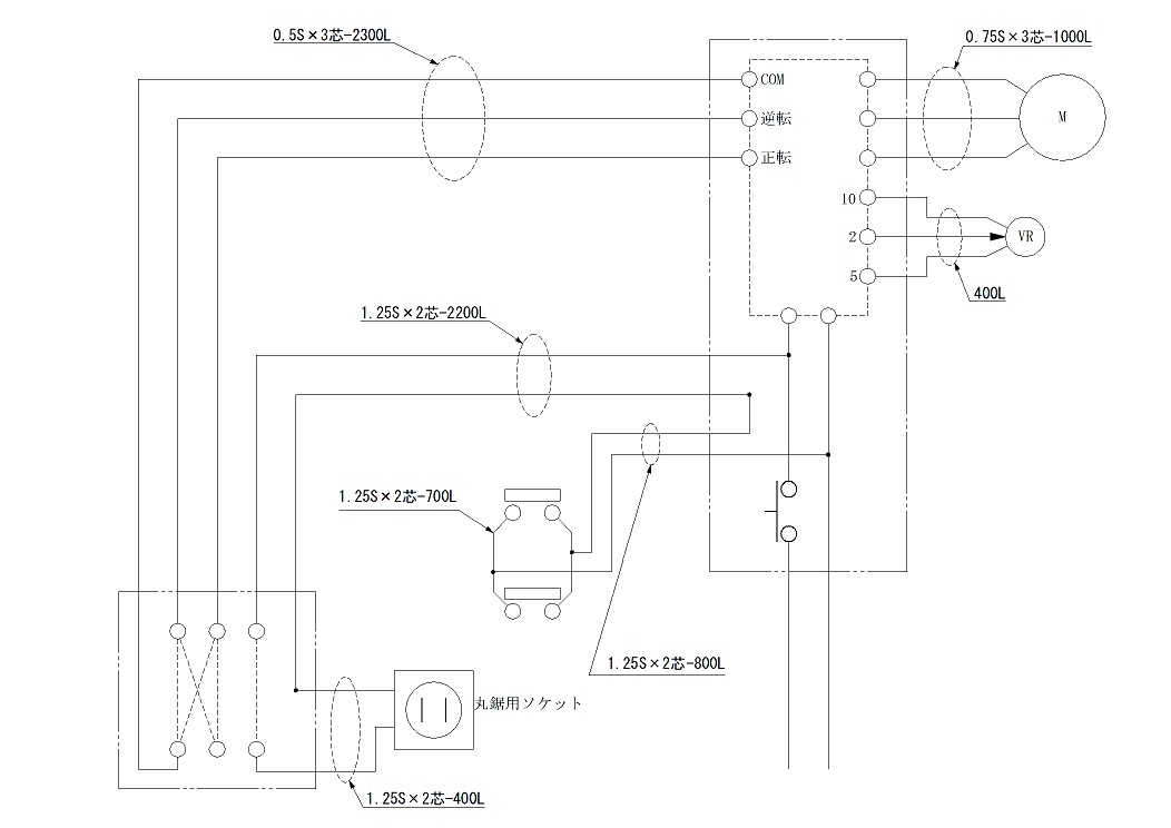
●電気回路図
戻る